| N | Артикул | Название | Срок отгрузки | Цена | Купить |
|
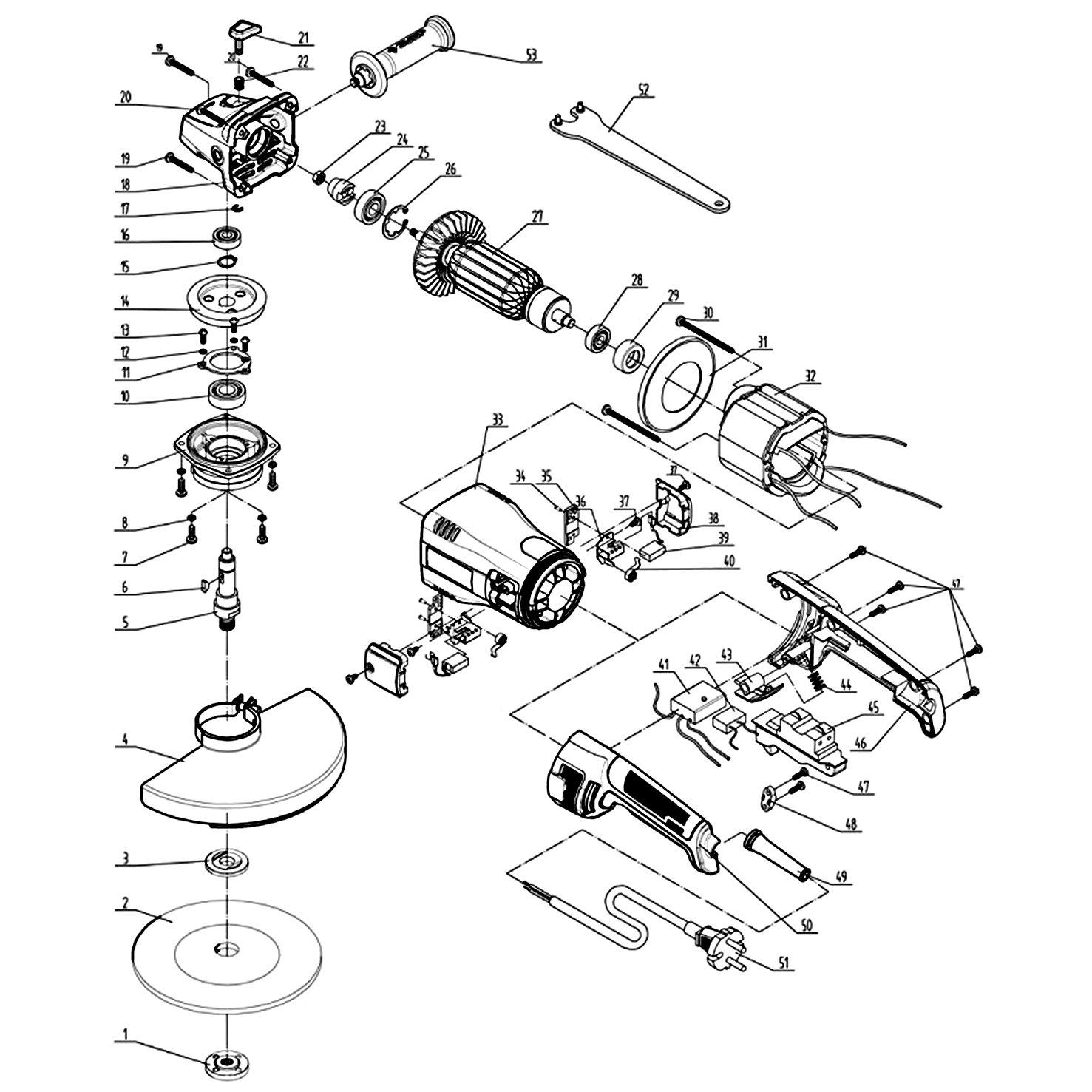
U353-115-001 |
Фланец прижимной внешний M14 U353-115-001 для SAG-180-1800, УШМ-П125-1000 |
|
100 р. |
|
| 1.03 |
U009-629-RS0 |
Подшипник шариковый 629-2Z (26х9х8) U009-629-RS0 |
|
294 р. |
|
| 1.20 |
U009-608-RS0 |
Подшипник шариковый 608-2RS (22х8х7) U009-608-RS0 для пил ЗПС-850 Э, ЗПТ-210-1300-Л |
|
306 р. |
|
| 2 |
N000-019-862 |
Фланец внутренний D14 Ls17.5 N000-019-862 |
|
123 р. |
|
| 2-18 |
U009-620-0RS |
Подшипник шариковый 6200-2RS (30x10x9) U009-620-0RS |
|
250 р. |
|
| 3 |
U353-115-006 |
Шпонка сегментная 13x5x4 U353-115-006 для ЗДМ-1200Р, УШМ-180-2005 П |
|
114 р. |
|
| 4 |
N000-017-173 |
Кожух защитный |
|
480 р. |
|
| 5 |
U503-181-005 |
Шпиндель D24x84 |
|
418 р. |
|
| 6 |
UM06-001-005 |
Кольцо разжимное D13 UM06-001-005 для ЗДМ-1200Р, ЗУШМ-230-2100П |
|
92 р. |
|
| 9 |
N000-017-151 |
Крышка корпуса редуктора |
|
370 р. |
|
| 10 |
U009-620-2RS |
Подшипник шариковый 6202-2RS (35x15x11) n/n |
|
189 р. |
|
| 11 |
U253-235-013 |
Фиксатор подшипника шпинделя D42xh2,2 |
|
92 р. |
|
| 12 |
UM04-001-003 |
Шайба-гровер D5 |
|
92 р. |
|
| 13 |
U503-211-015 |
Шестерня ведомая D65 Z41 U503-211-015 для УШМ-П180-2100 ПВ, УШМ-230-2205 П |
|
708 р. |
|
| 13 |
UM01-000-037 |
Винт M5x19 |
|
92 р. |
|
| 17 |
U503-140-023 |
Пружина стопора D9xh13 U503-140-023 для болгарок УШМ-115-800 М3, УШМ-125-950 М3 |
|
92 р. |
|
| 17 |
N000-017-154 |
Кольцо стопорное D5 Е-образное |
|
– |
|
| 18 |
N000-017-155 |
Корпус редуктора N000-017-155 для УШМ-180-1800 ПМ3, УШМ-230-2100 ПМ3 |
|
885 р. |
|
| 21.C |
N000-017-158 |
Штифт блокировки вала с кнопкой в сборе N000-017-158 для УШМ-180-1800 ПМ3, УШМ-230-2100 ПМ3 |
|
128 р. |
|
| 22 |
U503-211-025 |
Шестерня ведущая D19.4x14 U503-211-025 для AGS-230-2200 S, ЗУШМ-230-2100П_z01 |
|
383 р. |
|
| 23 |
UM05-001-008 |
Гайка М8 автогровер |
|
11 р. |
|
| 26 |
UM06-002-002 |
Кольцо стопорное сжимное D34 |
|
28 р. |
|
| 27 |
U503-211-028 |
Ротор КД U503-211-028 для ЗШ-П45-2100 ПВТК, ЗУШМ-230-2100П_z01 |
|
3.420 р. |
|
| 29 |
U253-235-032 |
Втулка подшипника 629 резиноваяD30x9 |
|
133 р. |
|
| 31 |
U503-181-034 |
Диффузор D87.5х51 |
|
85 р. |
|
| 32 |
N000-017-176 |
Статор КДС |
|
2.479 р. |
|
| 33 |
N000-017-162 |
Корпус двигателя |
|
962 р. |
|
| 36 |
U503-181-041 |
Щеткодержатель c пружиной |
|
334 р. |
|
| 38 |
U503-181-045-W |
Щетка графитовая (пара) 7х12х19 U503-181-045-W для ЗУШМ-180-1800П_z01, ЗШ-П45-2100 ПВТК |
|
428 р. |
|
| 38 |
U503-181-044 |
Крышка щеткодержателя |
|
46 р. |
|
| 40 |
V000-004-294 |
Блок плавного 250V~ 50Hz V000-004-294 для ЗИЭ-40-2500, ЗУШМ-180-1800П_z01 |
|
477 р. |
|
| 42 |
N000-017-164 |
Конденсатор 0.47uF |
|
– |
|
| 43 |
U503-181-051 |
Кнопка фиксатора |
|
286 р. |
|
| 44 |
U503-181-052 |
Пружина |
|
189 р. |
|
| 45 |
V000-003-265 |
Выключатель S230B 12(12)A 250V ~ 5E4 |
|
499 р. |
|
| 46_50 |
N000-017-165-C |
Рукоятка в сборе левая и правая часть |
|
594 р. |
|
| 46_50 |
N000-017-165 |
Рукоятка левая половина |
|
340 р. |
|
| 46_50 |
N000-017-169 |
Рукоятка правая половина |
|
340 р. |
|
| 48 |
N000-017-167 |
Прижим кабеля |
|
– |
|
| 49 |
N000-017-168 |
Рукав кабеля |
|
– |
|
| 51 |
N000-017-177 |
Кабель |
|
– |
|
| 53 |
N000-017-178 |
Рукоятка боковая |
|
– |
|